中国政府网
湖南省政府网
邵阳市政府网
首页
繁體
无障碍浏览
首页
伟德app安卓版下载安装最新版
领导机构
BETVLCTOR登录入口
BETVLCTOR
1946bv1946伟德手机版
1946伟德官方网站
首页
伟德app安卓版下载安装最新版
领导机构
BETVLCTOR登录入口
BETVLCTOR
1946bv1946伟德手机版
1946伟德官方网站
当前位置:
首页
>
BETVLCTOR
>
法定主动公开内容
>
权责清单
>
责任清单
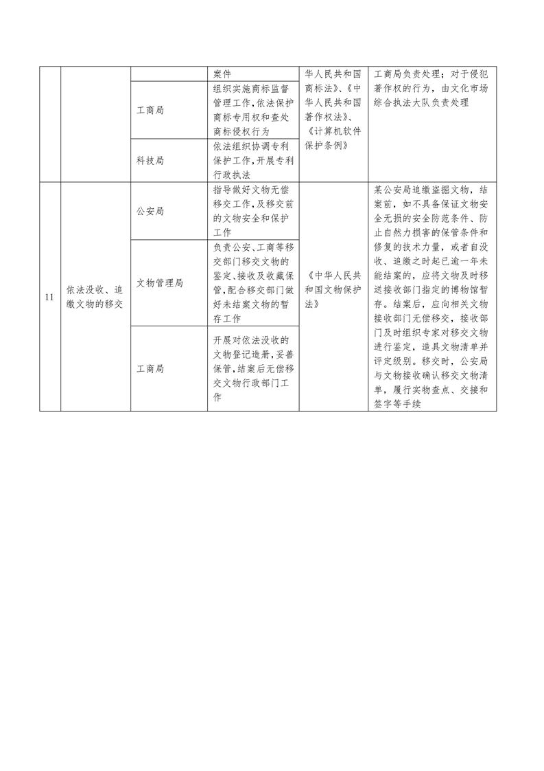
文广新局责任清单
发布时间:
2018-05-03
信息来源:文广新局 作者:
分享到:
相关文章
扫一扫在手机打开当前页
【打印文章】
【关闭】
国家部委网站
全国各省政府网站
本省市州政府网
县市区政府网
网站地图
网站主办单位:伟德首页官网下载app 承办单位:体育betvictro伟德客服数据局 电话:0739-7360488
版权所有:伟德首页官网下载app 地址:湖南省体育betvictro伟德客服行政中心 邮编:422500
备案号:
湘ICP备09015894号
网站标识码:4305290007 公安机关备案号:
43052902000013
主办单位:伟德首页官网下载app
承办单位:体育betvictro伟德客服数据局
归档时间:
已归档
map